Language

Home > Products > Flotation>XCF air inflation flotation cell



XCF air inflation flotation cell

XCF air inflation flotation cell
Introduction
An air inflation mechanical agitation floatation cell with slurry suction(as suction cell of KYF floatation cell).
Effective Volume
1~38m3
Product Improvement
The features of structure and performance of the cell is similar to KYF flotation cell. The difference is that there is a stator specially set above the impeller to form a special negative pressure area. It has the function of automatic suction slurry with a little higher energy consumption.

Advantages

  • Strong agitation force; simple structure

  • Air spreading well; uniform mixing of slurry and air

  • Less sedimentary of tailings and Low turnaround speed and low power consumption

  • It can be combined with model KYF as a flotation cell set, working as suction cell.

Work Principle

When the flotation machine works, the motor drives the impeller to revolve, so the centrifugal effect and negative pressure are produced. On one hand, ample air is absorbed and mixed with mineral slurry, on the other hand, the mixed mineral slurry is mingled with additive, meanwhile, the foams are thinning, the mineral is bounded with foams, and floats up to the surface of mineral slurry and the mineralized foam is formed. The liquid surface can be adjusted with the height of adjustment flashboard, so that the useful foams are scraped with squeegee.

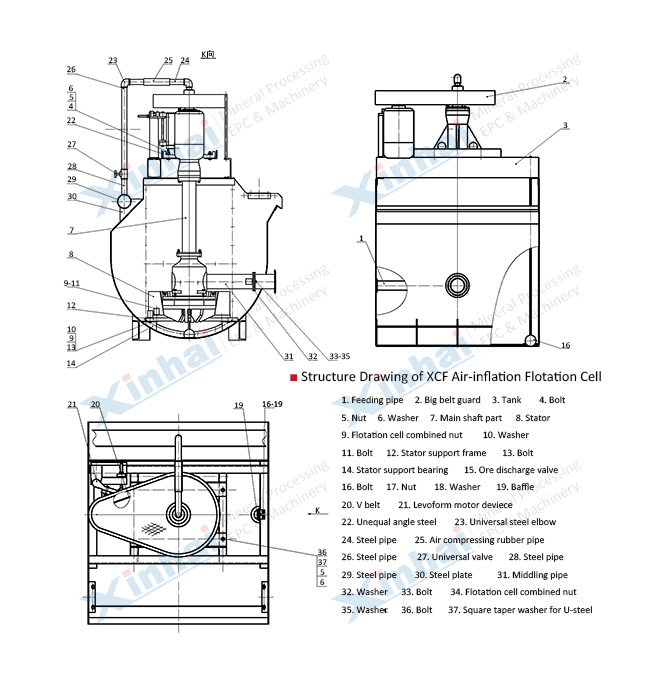
Product Structure

 XCF air inflation floatation cell

XCF air inflation floatation cell structure as shown in the diagram, is composed of tank, large isolation plate impeller with top and bottom blades, seat stator radial blade, split disc cover, split center tube, connecting tube with air-bleed hole, bearing body, hollow main shaft and the air adjustable valve. Deep groove body with open and closed two structures; the bearing body with seat and hanging type

XCF air inflation floatation cell is applied in roughing and scavenging of large and middle scale dressing plant aiming to non-ferrous metal, ferrous metal and nonmetal minerals.

Technical Parameters

Model Effective
Volume
(m3)
Capacity
(m3/min)
Impeller
Diameter
(mm)
Impeller
Revolution
(r/min)
Air Pressure of Blower (kPa) Max. Air Inflation Volume
(m3/m2.min)
Motor Power for Agitation
(kW)
Motor Power for Scraper
(kW)
Weight
(kg)
XCF-1 1 0.2 ~1 400 358 ≥ 12.6 2 5.5 0.75 1154
XCF-2 2 0.4 ~2 470 305 ≥ 14.7 2 7.5 1.1 1659
XCF-3 3 0.6 ~3 540 266 ≥ 19.8 2 11 1.5 2259
XCF-4 4 1.2 ~4 620 225 ≥ 19.8 2 15 1.5 2669
XCF-8 8 3.0 ~8 720 175 ≥ 21.6 2 22 1.5 3868
XCF-10 10 4~10 720 192 ≥ 21.6 2 30 1.5 4800
XCF-16 16 4~16 860 160 ≥ 25.5 2 37 1.5 6520
XCF-24 24 4~24 950 153 ≥ 30.4 2 37 1.5 8000
XCF-38 38 10 ~38 1050 136 ≥ 34.3 2 55 1.5 11000

Related Articles



Related Products

CLF Flotation Cell | XJB Bar Flotation Cell | XCF air inflation flotation cell |

Mineral Processing
EPC and Equipment

Tel: +8613683147042
E-mail: xhxu@xinhaimining.net
Support: 北京鑫互联科技有限公司

Home About us EPC Products Solutions Cases News Contact Us 3D Exhibition Room
sitemap   © 2014 Shandong Xinhai Mining Technology & Equipment Inc.

Leave Message
contact
Leave Message
contact