Language

Home > Products > Flotation>KYF Air Inflation Flotation Cell



KYF Air Inflation Flotation Cell

KYF Air Inflation Flotation Cell
Introduction
An air-inflation mechanical agitation floatation cell without slurry suction(This type of cell is designed referring to Finland Autoquenpu OK floatation cell).
Effective Volume
1~38m3
Product Improvement
Taper impeller with its blades sloping backward at certain angle, simple structure, strong agitation ability, and low energy consumption
The impeller is equipped with holey cylinder air allocator. The air scattering is uniform and the mixing effect of air and slurry is good
U-shaped tank, little sedimentation of sand

Advantages

  • Low energy consumption, 30-50% savable

  • Solid particles can be fully suspended; high flotation index

  • Long service life of vulnerable parts

  • Mechanical agitation; non-automatic air and slurry suction; ladder is necessary during processing

  • It can be combined with model XCF as a flotation cell set, working as direct flow cell

Work Principle

When the flotation machine works, the motor drives the impeller to revolve, so the centrifugal effect and negative pressure are produced. On one hand, ample air is absorbed and mixed with mineral slurry, on the other hand, the mixed mineral slurry is mingled with additive, meanwhile, the foams are thinning, the mineral is bounded with foams, and floats up to the surface of mineral slurry and the mineralized foam is formed. The liquid surface can be adjusted with the height of adjustment flashboard, so that the useful foams are scraped with squeegee.

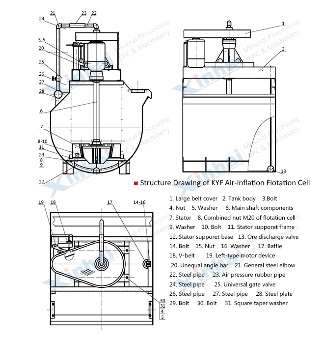
Product Structure

KYF 

air-inflation floatation cell

KYF air inflation floatation cell has U tank floatation cell and column flotation cell which is composed of impeller, stator, main shaft, bearing body, air adjusting valve, and tank body, as picture shown

KYF air inflation floatation cell is applied in roughing and cleaning of large and middle scale dressing plant aiming to non-ferrous metal, ferrous metal and nonmetal minerals. The range of feeding particle size is 0.3~0.01mm (-0.0074mm contents > 50%)

Technical Parameters

Model Effective
Volume
(m3)
Capacity
(m3/min)
Impeller
Diameter
(mm)
Impeller
Revolution
(r/min)
Air Pressure of Blower (kPa) Max. Air Inflation Volume
(m3/m2.min)
Motor Power for Agitation
(kW)
Motor Power for Scraper
(kW)
Weight
(kg)
KYF-1 1 0.2~1 340 281 ≥ 12.6 2 4 0.75 903
KYF-2 2 0.4~2 410 247 ≥ 14.7 2 5.5 1.1 1419
KYF-3 3 0.6~3 480 219 ≥ 19.8 2 7.5 1.5 1885
KYF-4 4 1.2~4 550 200 ≥ 19.8 2 11 1.5 2206
KYF-8 8 3.0~8 630 175 ≥ 21.6 2 15 1.5 3984
KYF-10 10 4.0~10 630 192 ≥ 21.6 2 22 1.5 4406
KYF-16 16 4.0~16 740 160 ≥ 25.5 2 30 1.5 5900
KYF-24 24 4.0~24 800 150 ≥ 30.4 2 30 1.5 7500
KYF-38 38 10.0~38 880 139 ≥ 34.3 2 45 1.5 10300

Related Articles



Related Products

CLF Flotation Cell | XJB Bar Flotation Cell | XCF air inflation flotation cell |

Mineral Processing
EPC and Equipment

Tel: +8613683147042
E-mail: xhxu@xinhaimining.net
Support: 北京鑫互联科技有限公司

Home About us EPC Products Solutions Cases News Contact Us 3D Exhibition Room
sitemap   © 2014 Shandong Xinhai Mining Technology & Equipment Inc.

Leave Message
contact
Leave Message
contact